Sour Dough Climatizer Project
PID temperature controller powered by ESPHome and controlled by Home Assistant
We love to produce our own bread - and when I say ‘we’, I mainly mean my wife, who is the one doing the magic here. We honed in on sour dough bread in particular. It is a living dough that one can maintain and pamper for a long period of time by feeding, splitting (for using parts in a bread) and then repeating the cycle.
The quality went down recently and we were wondering why.. Main suspicion was temperature and fluctuations of it (culprit may be winter time).
So, I went onto a journey to create a climatizer to keep our dough happy.
The accompanying video you’ll find on Youtube:
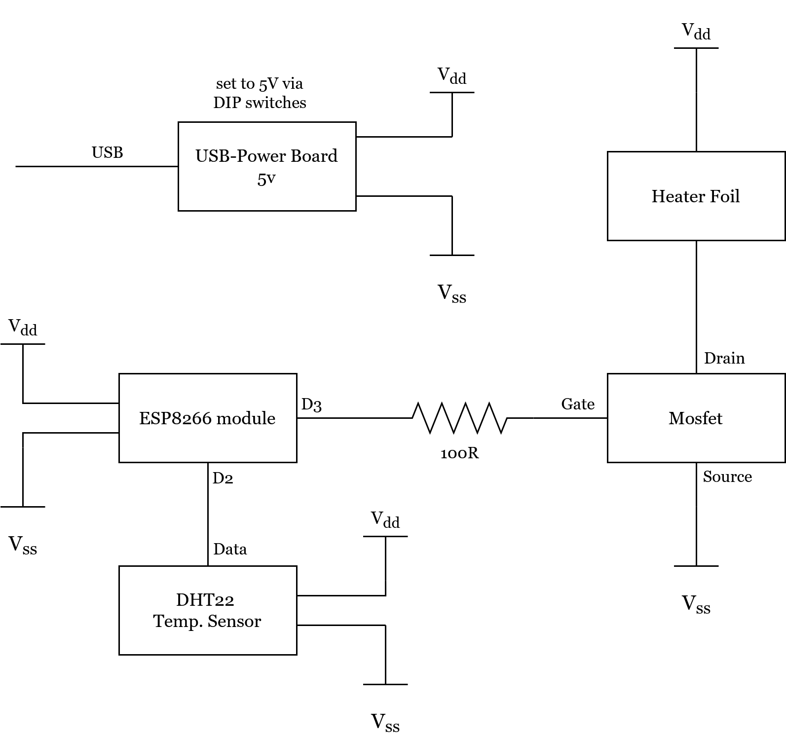
Schematics
The schematics aren’t really complicated:
Bill of materials
a ESP8266
like ESP-12 WeMos D1 Mini, I used this one
USB-C Power Board
I used one similar to this one
Heater Foil
Mosfet IRLZ44N
Temperature Sensor DHT22
ESPHome Program
Final program, which’s result I analyze in the end of the video:
climate:
- platform: pid
id: "sauertiger_pid"
name: "Sauertiger PID"
internal: no
sensor: sauertiger_temp
default_target_temperature: 26°C
heat_output: sauertiger_pwm
control_parameters:
kp: 3.0
ki: 0.00049
kd: 12.56301
output_averaging_samples: 2 # smooth the output over 5 samples
derivative_averaging_samples: 2 # smooth the derivative value over 10 samples
deadband_parameters:
threshold_high: 0.2°C
threshold_low: -0.2°C
sensor:
- platform: dht
id: sauertiger_sensor
pin: D2
model: DHT22
temperature:
name: "Sauertiger Temperature"
id: "sauertiger_temp"
humidity:
name: "Sauertiger Humidity"
id: "sauertiger_humid"
update_interval: 5s
output:
- platform: esp8266_pwm
pin: D3
frequency: 10 Hz
id: sauertiger_pwm
number:
- platform: template
name: Sauertiger Target Temperature
id: sauertiger_target_temp
min_value: 10
max_value: 40
step: 1
optimistic: True
set_action:
then:
- climate.control:
id: sauertiger_pid
mode: auto
target_temperature: !lambda 'return x;'3D Models
There is still a small issue with the model I wanted to fix. But before I do that I’ll wait for my Prusa Core One delivery ;-)
If you (for some reason) want to have the model before that time, let me know..
Result
I am very pleased with the result and its ability to maintain a certain temperature. And it definitely helped already boosting some dough production ;-)


